我们非常重视您的个人隐私,当您访问我们的网站时,请同意使用的所有cookie。有关个人数据处理的更多信息可访问《隐私政策》
产品特性
• PGA增益:8x,12x,16x,32x,48x,64x,96x,128x
• 差分输入范围: <=120mV
• 输入引脚漏电流:<=200pA
• 供电电压: 2.3V ~3.6V
• 等效输入RMS噪声:0.3uV
• 睡眠模式下功耗:5uA
• 通信接口:IIC、PWM、INT/Relay
• 最大IIC速率: 400KHz
• EEPROM:128Bytes
• OSR:128x ~16384x
• 连续单通道传感器及环温组合输ODR:<=200Hz
• 连续双通道传感器输出每通道ODR:<=800Hz
• 工作温度: -40℃~125℃
• 可配测温辐射系数:0.05~1.0
应用场景
• 耳温枪/额温枪
• 家用厨房电器
• 气体传感器
• 安防
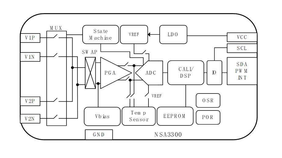
功能框图


如您需要咨询产品更多信息,请点击“尊龙凯时人生就是搏”,我们将尽快回复您!